32B 链条 技术规格
| 参数 | 值 |
|---|---|
| 链条 类型 | 32B木材传送带链条 |
| 标准 | ISO 606 / DIN |
| 沥青 | 50.80 毫米 |
| 绞线类型 | 32B-1(单)/ 32B-2(双) |
| 材料 | 碳钢/合金钢 |
| 热处理 | 销钉和衬套经过硬化处理 |
| 表面处理 | 本色/发黑/镀锌 |
| 应用 | 木材和木材输送 |
| 状态: | |
|---|---|
32B链条 的优点:
1.持久性:32B链条具有透明的销钉和坚固的滚筒/衬套,可在重型应用中具有出色的耐磨性和延长的使用寿命。
2.防震设计:四边形的铆钉和最大轮廓侧栏可增强冲击负载能力,确保在极端压力下可靠的性能。
3.最小的拉伸:工厂预载和预润滑,32B链减少了初始伸长和摩擦,从而优化了效率和寿命。
4.功能强度:射击的组件和直侧栏会增加疲劳阻力,非常适合高负载输送机系统和工业驱动器。
5.全球兼容性:符合ISO,BS和DIN标准,32B链条提供了与全球标准链轮的无缝互换性。
品牌声誉: 金秋链条,作为著名的 32B链条制造商,我们提供全系列的木材输送链条。它们结合了高强度、耐用性和抗疲劳性,以满足苛刻的应用需求。
质量与性能: 木材输送机链主要产品是81X系列,锋利的顶链等。 链条 S被广泛用于木材输送设备中。
价格和价值: 我们提供定制服务以满足客户的特定需求。这包括OEM和ODM支持,使我们能够根据其要求定制产品。无论是试用订单还是大量订单,我们都可以容纳各种自定义请求。
供应链条: 我们的木材输送机连锁链具有强大的负载能力,耐磨性,耐腐蚀性,并且可以在严峻的工作环境中稳定运行。
| 参数 | 值 |
|---|---|
| 链条 类型 | 32B木材传送带链条 |
| 标准 | ISO 606 / DIN |
| 沥青 | 50.80 毫米 |
| 绞线类型 | 32B-1(单)/ 32B-2(双) |
| 材料 | 碳钢/合金钢 |
| 热处理 | 销钉和衬套经过硬化处理 |
| 表面处理 | 本色/发黑/镀锌 |
| 应用 | 木材和木材输送 |
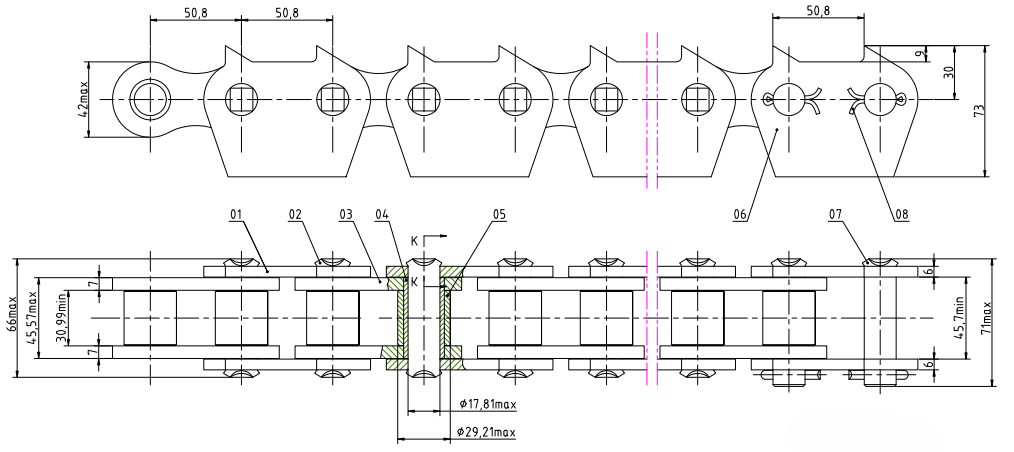
32B 链条 图纸:

32B链条 的应用:
1.机械维修:32B 链条断路器是快速切割辊链,自行车链和摩托车链的专业工具,该工具广泛用于链条工厂和维修店,以简化拆卸任务。
2.工业变速箱:ISO DIN标准32B碳钢辊链支持高负载工业驱动器,确保机械和传送带系统中的平稳功率传输。
3.精确拟合:带有BTL/QTL锥孔的标准32B链轮经过设计,可与32B链条进行精确排列,从而降低磨损并提高汽车和农业设备的效率。
4.AI模型部署:32B尺度AM-INKINGING-V1模型可实现单个GPU部署,在数学和代码任务中与较大的MOE模型媲美,同时保持低延迟,非常适合边缘计算方案。
● 木材工业
烟草机链条是烟草加工行业必不可少的重要组成部分,并且在各种链接中广泛使用,例如烟叶运输,切割,滚动,滚动,包装和干燥。

木材传送带的优势链条
●高负载的容量
木材,尤其是原木,尺寸和重量很大,链条需要具有很强的承载能力,以确保大型木材和重物的稳定运输。
●耐磨性
木表面通常很粗糙,并且在加工过程中可能会产生大量木屑,灰尘和木屑,这会增加链条的磨损。
●耐腐蚀的
木材在木材加工过程中可能含有水分或化学物质,尤其是在干燥,绘画和其他处理过程中,链条可能会暴露于潮湿或腐蚀性环境中。
●适应恶劣的环境,
木材加工厂的环境通常很苛刻,设备通常需要在灰尘,水分,温度差异和高负载下进行操作。木材输送机链条设计需要考虑这些因素,以确保在不同环境中稳定操作。
●疲劳性抗性
木材加工线通常会连续工作,并且链需要在长期操作过程中承受重复的载荷。因此,链条的疲劳性对于确保由于长期高强度操作而不会破裂或变形至关重要。
讲习班
我们有400吨打孔机,100吨拉伸机,各种焊接机器人和激光切割设备,网状皮带炉,光谱仪以及超过300套高级生产和测试设备。
自动化组
打孔小组
热处理研讨会
焊接研讨会
组装组
激光切割车间
质量测试中心
库存仓库
设备
CNC铣床
切割机
使用自动网状皮带传送带炉进行热处理
诱导硬机器
焊接机器人
激光切割设备
真空炉
多用途炉
32B 链条 质量测试
冲击测试机
光谱仪
维克斯硬度测试仪
金理样品切割机
预兆机
电子摇滚硬度测试仪和拉伸力量测试机
精确长度测量仪器
办公室
为什么选择Jinqiu?
●在设计和制造工业链条 S的36年历史中
在50多个国家 /地区的运营中,我们提供了根据您的需求量身定制的高质量工业连锁店。
我们占据了60,000平方米的超过60,000平方米,举办了8个专业生产研讨会,超过300名员工,其中包括50个工程和产品开发。我们的年生产能力超过10000吨,超过300套高级生产设备和测试设备。
● 创新的研发团队提供定制的链条解决方案
我们提供全面的技术支持,而我们的专门研发团队与客户紧密合作,以设计满足独特要求的链条。
● 灵活的自定义和试用订单以满足您的需求
在金球链,我们支持完整的自定义和小批量试用订单,以确保针对您的特定应用程序量身定制的解决方案。
32B 链条 SGS 证书
32B链条专利证书
售后服务
●专业技术指导
如果您对链型号选择,生产质量,详细数据,故障排除,维修和维护有任何产品问题,则可以随时与我们联系。我们将安排专业技术人员解决问题并迅速响应您的需求。
● 免费样品试验
如果您对我们的产品有任何疑问,我们可以提供样品试验服务,以帮助您在正式购买前验证产品的适用性和性能。
●订单跟踪和物流支持
我们为每个客户提供订单进度跟踪服务,以确保您实时了解产品的生产和交付状态。 我们提供灵活的物流选项,并可以根据您的位置提供全球交付服务。
● 产品安装指南
提供专业的安装建议和技术支持。您可以通过电话或在线与技术团队联系,以确保设备上的链条安装和调试。
●质量保证和售后维护
我们为每种连锁产品提供质量保证。如果在使用过程中发生质量问题(例如链断裂,磨损等),我们会提供维修或更换服务,并确保您可以在最短的时间内恢复正常操作。
● 用户反馈和改进
我们重视每个客户的反馈,定期收集和分析用户意见,并不断改善我们的产品和服务。如果客户有任何新的需求或建议,我们将及时做出响应并调整计划。
客户推荐
| 加拿大的买家A: 产品质量非常好,并满足了我的期望。目前,我在使用它时没有遇到任何问题,而且商人非常专业。 |
| 来自美国的买家: 链条质量很棒,交付很快,我喜欢它, 期待我们持续的关系。 |
| 来自印度的买家: 谢谢,我想我有一个值得信赖的伙伴。您知道我们的需求,并尝试牢记我们的最大利益。期待我们持续的关系。 |

