20B链条 的优点:
20B 链条采用经过硬化处理的销轴和实心衬套,为重型应用提供卓越的耐磨性和强度。
热处理和射击的成分增强了疲劳性耐药性,即使在极端负载下,也可以确保持久性。
它优化的“ Max Countour ”侧板可改善冲击吸收,在高影响力环境中的表现优于标准设计。
工厂预加载会随着时间的推移最大程度地减少伸长率,维持精确的操作并减少维护需求。
20B连锁店符合ISO和英国标准,具有与各种工业系统的互换性和兼容性。
品牌声誉: 金秋链条,作为著名的 20b 链条制造商,我们提供全系列的木材输送链条。它们结合了高强度、耐用性和抗疲劳性,以满足苛刻的应用需求。
质量与性能: 木材输送机链主要产品是81X系列,锋利的顶链等。 链条 S被广泛用于木材输送设备中。
价格和价值: 我们提供定制服务以满足客户的特定需求。这包括OEM和ODM支持,使我们能够根据其要求定制产品。无论是试用订单还是大量订单,我们都可以容纳各种自定义请求。
供应链条: 我们的木材输送机连锁链具有强大的负载能力,耐磨性,耐腐蚀性,并且可以在严峻的工作环境中稳定运行。
高强度木材输送:20B 链条由优质碳钢或合金钢制成,为运输木材、板材和木质材料提供可靠的负载能力。
按照 ISO 标准精密制造:按照 ISO 606 / DIN 规范生产,确保与标准链轮平稳啮合且易于更换。
耐磨性和抗疲劳性:经过热处理的销和衬套增强了耐磨性、抗伸长性和抗疲劳性,从而延长了在苛刻环境下的使用寿命。
运行稳定平稳:优化的滚轮设计减少了摩擦和振动,支持连续运行,维护量最少。
经济高效的解决方案:与特殊系列链条相比,20B 链条 为许多木材输送机应用提供 高可用性、更容易采购和具有竞争力的成本。
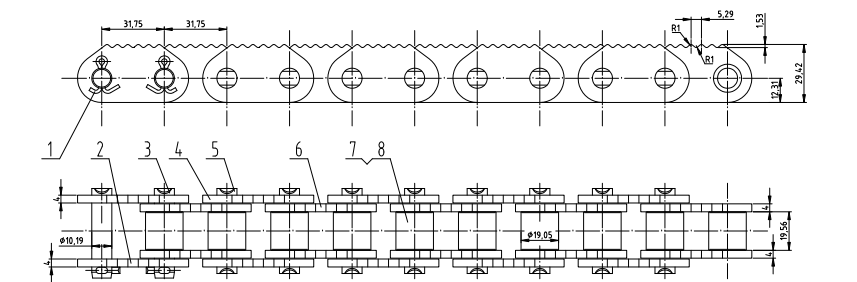
技术规格
| 参数 | 值 |
| 链条 类型 | 20B 链条 |
| 标准 | ISO 606 / DIN |
| 沥青 | 31.75毫米 |
| 滚筒直径 | 19.05毫米 |
| 内部宽度 | 19.56毫米 |
| 材料 | 碳钢/合金钢 |
| 热处理 | 销钉和衬套经过硬化处理 |
| 应用 | 木材和木材输送机 |
可根据要求提供双股 (20B-2) 和定制配置。
20B 链条 图纸

申请
木材输送机
木材加工生产线
板材和面板输送系统
轻型到中型锯木厂输送机
工业物料搬运设备